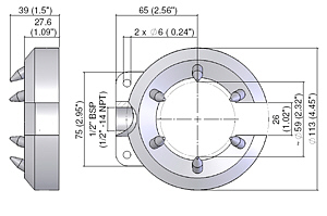
Diese Ringdüse eignet sich zum effizienten Trocknen oder Reinigen von Kabeln,Profilen,
Rohren usw.Die Anordnung der Düse am Ring ermöglicht die kontinuierliche
Durchführung des Materials.
Der Düsenring ist ausgelegt für Profile oder Kabel mit einem Durchmesser
von 5 - 25 mm.
Das Abblasen erfolgt durch sechs konzentrisch angeordnete Düsen, die silmutan auf das
Objekt blasen und so effektiv und rundum das Material trocknen oder säubern,während
es durchläuft.
Die Düsen erfüllen die Sicherheitsvorschriften der OSHA in Bezug auf direkten
Hautkontakt und Druckluft (max. 210 kPa)
Technische Daten :
DüsenRing : |
SW743025 |
| Material: |
Zink |
| Medien: |
Luft, neutrale Gase, Kühlmittel |
| Druck: |
max. 1,0 MPa |
| LuftAnschluß: |
IG G 1/2" |
| Max. Temperatur: |
-20°C bis +70°C |
| Gewicht: |
275 g |
| ersetzt offenes Rohr: |
10 mm |
| Luftverbrauch: |
114 Nm³/h |
| Lärmpegel: |
90 dB(A) |
| Blaskraft: |
20 N |
| Baumaße: |
Ø 113 x 122 x 39 mm |
| Abmessungen: |
 |
| Düsen: |
6 Zink Schlitzdüsen SW715000 |
| Strahlausbreitung: |
 |
|
| ! Stand 2014 - alle Preise ohne MwSt. bzw. Vorsteuer-Ausgleich! Preisänderungen und Irrtümer vorbehalten ! |
|
Rieseler AutomationsElemente, Jahnstr.2, 42781 Haan ( Deutschland ), Fon : +49 (0)2129/53984, Fax : +49 (0)2129/349641, EMail : dipl.ing.hartmut@rieseler.de |
|